Відкриті зварювальні головки OSZ ORBITEC

- В наявності
- Код: OSZ
Ціну уточнюйте
- +380 (50) 726-25-61менеджер
Зварювальні головки OSZ були розроблені для зварювання труб більшого діаметру від 88,9 мм до 323,9 мм з малою товщиною стінки. Зварювальні головки OSZ призначені для зварювання труб більшого діаметру від 88,9 мм до 323,9 мм з невеликою товщиною стінки. З подачею присадного дроту або без подачі, зі зварювальними пальниками з газовим і водяним охолодженням. Особливість конструкції: закритий зубчастий редуктор.

Відкриті зварювальної головки монтуються на одній стороні зварного з'єднання. Під час зварювання пальник з газовим або водяним охолодженням і кабель-шланг обертаються навколо труби.
Серія OSZ оснащена двома зварювальними головками, які охоплюють діапазон труб із зовнішніми діаметрами від 88,9 мм до 323,9 мм.
Переваги зварювальних головок Orbitec OSZ
-
Міцна конструкція.
-
Простота в технічному обслуговуванні.
-
Можливість додавати подачу присадного дроту.
-
Немає потреби в затискних вкладишах «певних розмірів», кожна зварювальна головка може бути встановлена на трубу з будь-яким зовнішнім діаметром у своєму діапазоні діаметрів.
-
Доступний варіант з нахилом держателя пальника на 90°.
Технічні характеристики Orbitec OSZ
| Модель головки | Зовнішній діаметр | Вага |
| OSZ 275 | 88,9 - 273 мм (3,500"- 9,331") | 16,0 кг |
| OSZ 325 | 168,3 - 323,9 мм (6,626"- 12,750") | 18,0 кг |

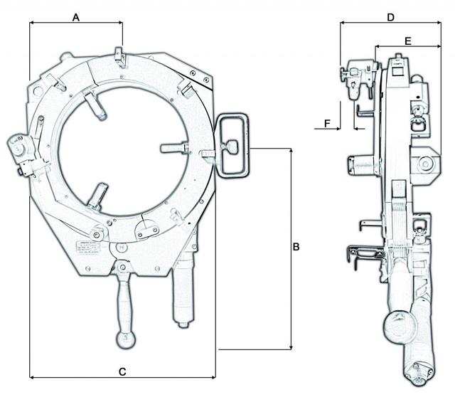
| Тип зварювальної головки | A | B | C | D | E | F | ||||||
| мм | дюйм | мм | дюйм | мм | дюйм | мм | дюйм | мм | дюйм | мм | дюйм | |
| OSZ 275 | 220 | 8,661 | 420 | 16,535 | 380 | 14,961 | 150 | 5,905 | 78 | 3,071 | 19 (12) | 0,748 (0,472) |
| OSZ 325 | 255 | 10,039 | 450 | 17,717 | 450 | 17,717 | 150 | 5,905 | 78 | 3,071 | 19 (12) | 0,748 (0,472) |
Комплектація зварювальних головок OSZ Orbitec
У базовий комплект входить:
-
Зварювальна головка.
-
Затискний башмак.
-
Стандартний кронштейн пальника OSZ.
-
Гвинт механічного регулювання дугового проміжку.
Кабель пакети і шланги для відкритих зварювальних пальників

З'єднувальний кабель-пакет BJ, 8 м

З'єднувальний кабель-пакет з роз'ємом для ORBIFEED BJ, 8 м

Силіконовий кабель, 2,5 м, з газовим охолодженням

Кабель подовжувач-пакета, 8 м, з газовим охолодженням
Кабель подовжувач-пакета, 8 м, комбінований з газовим і водяним охолодженням
Зварювальні пальники


Пальник TIG "STANDARD" з шлангом у зборі BJ, 8,5 м, газове охолодження


Пальник TIG "STANDARD" з шлангом у зборі BJ, 8,5 м, водяне охолодження


Пальник TIG "MINI" з шлангом в зборі, 8,5 м, газове охолодження


Пальник TIG "MINI" з шлангом в зборі, 6 м, водяне охолодження
Власники зварювального пальника
В комплект утримувача входить:
-
Тримач зварювального пальника.
-
Гвинт регулювання дугового проміжку з керамічним кулькою.
-
Затискний гвинт пальника.
-
Вставка з нержавіючої сталі.

Тримач зварювального пальника TIG "STANDARD" для головки OSZ

Багатопозиційний тримач зварювального пальника TIG 90° для головки OSZ
Ручний зварювальний пальник

Ручний зварювальний пальник TIG SR 9 з гнучким шлангом, 8 м, газове охолодження
-
Кабель High-Flex в зборі.
-
Ті ж витратні деталі, що і для головок OSW / OSZ.
-
5-полюсний роз'єм управління.
| Основні | |
|---|---|
| Виробник | Orbitec |
| Країна виробник | Німеччина |
| Гарантійний термін | 12 міс |
- Ціна: Ціну уточнюйте









